近年來,1500Vdc組串式逆變器憑借其在度電成本(LCOE)上的優勢,成為國內外電站的主流解決方案。針對體積和重量的需求,提高單機的功率等級是組串式逆變器降低成本、實現平價上網的重要手段。應用混合型封裝的多電平功率模塊,可以使逆變器在效率和功率密度上獲得提升。采用Easy-3B封裝的功率模塊,其單機功率等級可以達到200kW甚至更高。
針對光伏多電平混合功率模塊的市場需求,青銅劍技術推出了適用于ANPC拓撲的Easy-3B封裝,并基于IGBT + SiC MOSFET的混合型模塊驅動器6QP0214T12-ANPC。
該驅動器采用數字式的控制策略,對橋臂所在六通道信號進行時序判定,防止錯誤的開關和保護時序。6QP0214T12-ANPC不僅具有常規的欠壓保護,退飽和短路保護等功能,針對SiC MOSFET驅動部分額外增加了米勒鉗位功能,以保證其可靠關斷。
圖1 驅動器外觀圖
一、混合型功率模塊介紹
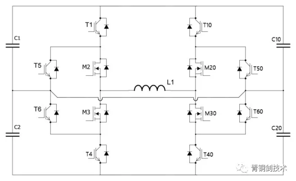
上文提到的Easy-3B混合模塊是英飛凌新推出的一款內部既有IGBT又有SiC MOSFET的混合型模塊,型號為F3L6MR12W3M1_B11_ENG。其外觀和拓撲如圖2所示,該模塊用于中點鉗位的T1、T4、T5、T6采用了1200V/150A的IGBT,而M2、M3采用了1200V/6mΩ的SiC MOSFET。
圖2 Easy-3B混合型模塊外觀和內部拓撲圖
二、混合型ANPC拓撲功率模塊控制策略
由于NPC1拓撲中的兩個鉗位二極管變成了IGBT,使得ANPC拓撲的調制策略非常靈活。采用ANPC拓撲有利于優化換流回路以及損耗在不同器件上的均分,在有功和無功情況下都可以通過短換流回路換流,從而解決長換流回路時由于雜散電感較大導致的器件電壓應力過大的問題。
ANPC拓撲的F3L6MR12W3M1_B11_ENG模塊,其內管M2、M3為碳化硅器件。為了充分發揮碳化硅器件開關損耗低的特點,采用兩快四慢的調制方式。如圖3所示,在調制上半周時T1、T6保持常開狀態,T4、T5保持關閉,內管M2、M3都是進行高頻工作。在調制下半周時T1、T6保持關閉,T4、T5保持常開狀態,但內管M2、M3仍都是進行高頻工作。內管M2、M3工作頻率在40kHz以上,這使得母線支撐電容以及后級的電抗都獲得大幅的減小,提升整機的功率密度。
圖3 一種ANPC拓撲的調制策略
三、驅動器亮點解析
1、集成信號邏輯判斷與處理
6QP0214T12-ANPC基于ANPC拓撲調制策略,利用其原邊的CPLD芯片對輸入的PWM控制信號進行邏輯時序準確性判斷,并嚴格按照邏輯時序工作要求對器件的開關進行控制。在正常工作時,驅動器實現的主要邏輯時序如表1所示。
表1 正常工作時邏輯時序
另外驅動器對信號頻率異常以及信號寬度異常也能進行判斷,消除因為干擾信號引起的誤開關。在故障情況下,驅動器通過數字芯片的控制能及時地以一定關斷順序進行安全關斷功率模塊。其關斷順序為先關T1/T4,再關T5/T6,最后關M2/M3。
2、SiC MOSFET(M2/M3)的應力優化
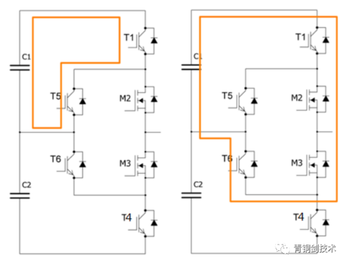
① NPC1以及ANPC拓撲每半邊有兩個換流回路;一個短換流回路,一個長換流回路,具體路徑如下圖4所示。M2/M3工作于長換流回路,這就需要驅動器關注其開關應力。
圖4 短換流回路與長換流回路
6QP0214T12-ANPC針對M2/M3的開關加入分級關斷功能,可以有效減少其在長換流回路中大電流關斷的電壓應力。圖5為M2在750V/200A條件下的關斷波形,從圖中可以看出驅動器很好地控制了M2的電壓尖峰。
通道1:VGS-M2 通道2:VDS-M3 通道3:ID-M3 通道4:VDS-M2
圖5 M2關斷波形
② 驅動器在SiC MOSFET驅動通道的驅動級加入了米勒鉗位功能,防止互鎖的兩個SiC MOSFET中某一個SiC MOSFET開通時,由于米勒效應導致另一個SiC MOSFET同時誤開通。
3、SiC MOSFET的短路故障穿越
在NPC1或者ANPC拓撲中,由于單個開關器件能承受系統一半的母線電壓,這就需要控制功率模塊中的每個管子以正確的時序進行開關。在正常工作中,其開關時序主要由主控板發出;在異常情況下(比如模塊發生了短路故障),需要驅動器主動對功率模塊進行控制,保證其以正常邏輯進行關斷,防止模塊失效。一般情況下在檢測到故障,需要先關斷外管,再關斷內管。
在本ANPC拓撲的功率模塊中,內管為SiC MOSFET,其短路耐受能力3us左右。結合拓撲,這就引入了一個非常大的難題:即在這么短的時間內既要保證正常工作時不產生誤報故障,同時還要遵循先關外管再關內管的時序。6QP0214T12-ANPC驅動器針對此難點專門設計了短路保護策略,即短路故障穿越策略。
該策略利用SiC MOSFET短路耐受時間與短路時開通電壓成反比的關系(短路時器件的門極開通電壓越低,短路電流越小,短路耐受時間越長):在內管的SiC MOSFET檢測到短路故障后,會先將門極電壓由正常開通時的17V降到12.5V,持續1.2us;在這1.2us中,驅動器會先關斷外管T1/T4,再關T5/T6;1.2us后,再將內管M2/M3關斷,與此同時驅動器輸出故障信號。
圖6為模擬故障時的關斷時序,從圖中可以看出M2先降低了它的門極開通電壓,然后以T1、T6、M2的先后順序進行了關斷。
通道1:VGE-T6 通道2:VGE-T1 通道3:VGS-M2
圖6 模擬故障時關斷時序
圖7為在750V情況下,對M2進行短路試驗的結果。從圖中可以看出,當門極電壓由17V降低到12.5V后短路電流由2.52kA降低到了1kA。短路的檢測時間為1.5us,進行關斷的時間為2.75us。
通道1:VGS-M2 通道2:VDS-M2 通道3:ID-M2
圖7 M2短路保護測試波形
綜上所述,6QP0214T12-ANPC驅動器利用創新性的思路,解決了內管SiC MOSFET短路保護與關斷時序的問題,從而保證系統可靠穩定地運行。
四、功率模組測試
我們對6QP0214T12-ANPC搭載功率模塊的運行情況也進行了評估。圖8為測試等效電路,采用的是兩個功率單元對拖的形式。圖9為功率單元的實物圖形。
圖8 測試等效電路
圖9 功率單元實物圖
圖10,圖11和圖12為功率單元在1500V,輸出有效電流100A時的工作波形。
通道1:VDS-M2 通道2:VDS-M3 通道3:L1電壓 通道4:L1電流
圖10 M2/M3測試波形
通道1:VCE-T1 通道2:VCE-T4 通道3:L1電壓 通道4:L1電流
圖11 T1/T4測試波形
通道1:VCE-T5 通道2:VCE-T6 通道3:L1電壓 通道4:L1電流
圖12 T5/T6測試波形
從上圖波形可以看出外管IGBT以及內管SiC MOSFET工作情況良好,符合預期。
五、總結
本文針對1500V系統光伏逆變器ANPC拓撲的Easy-3B混合型模塊驅動器的邏輯時序處理,內管SiC MOSFET的應力優化和短路故障穿越難點進行了詳細分析介紹,以及功率模組測試驗證結果分享。6QP0214T12-ANPC驅動器憑借其先進的控制及保護策略,可以完美適配于該新型IGBT + SiC MOSFET的混合模塊。
































