由青銅劍技術和基本半導體團隊聯合研發的驅動板BSRD-2427,是一款專門針對34mm碳化硅MOSFET半橋模塊設計的產品。該產品具有高可靠性、強適應性等特點,適用于碳化硅逆變弧焊機、碳化硅感應加熱等應用。

產品特點
功率器件最高電壓1200V
單通道驅動功率1W,峰值電流±10A
絕緣電壓高達4000Vac
集成隔離DC/DC電源
集成原邊/副邊電源欠壓保護
集成米勒鉗位
配套零件
BSRD-2427所應用到的雙通道隔離變壓器、單通道隔離驅動芯片、正激DCDC電源芯片三款零件均為公司自主研發產品,客戶可分別采購進行整體方案的設計。

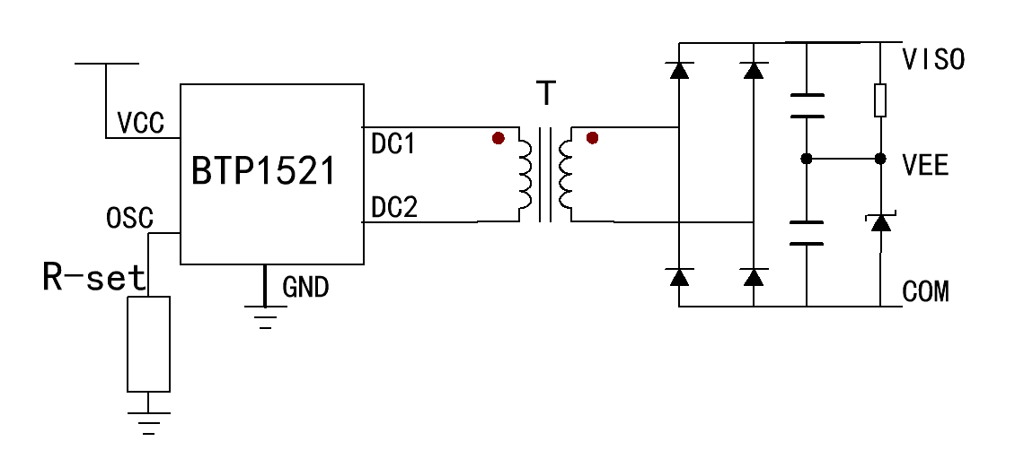
隔離驅動專用正激DC-DC芯片BTP1521x

產品特點
輸出功率可達6W
適用于給隔離驅動芯片副邊電源供電
正激電路(H橋逆變或推挽逆變)
軟啟動時間1.5ms
工作頻率可編程,最高工作頻率可達1.3MHz
VCC供電電壓可達24V
VCC欠壓保護點4.7V
工作環境-40~125℃
芯片過溫保護點150℃,過溫恢復點120℃
體積封裝小
應用推薦電路圖
DC1和DC2接變壓器原邊線圈,副邊二極管橋式整流,組成開環的全橋拓撲(H橋逆變),輸出功率可達6W,輸出經過電阻和穩壓管分壓后構成正負壓,供碳化硅MOSFET使用,適用于給隔離驅動芯片副邊電源供電。

BTP1521推薦電路(功率6W情況下)
當副邊需求功率大于6W時,可以使用推挽逆變拓撲,通過DC1和DC2端控制外接的MOSFET增加輸出功率。

BTP1521推薦電路(功率大于6W情況下)
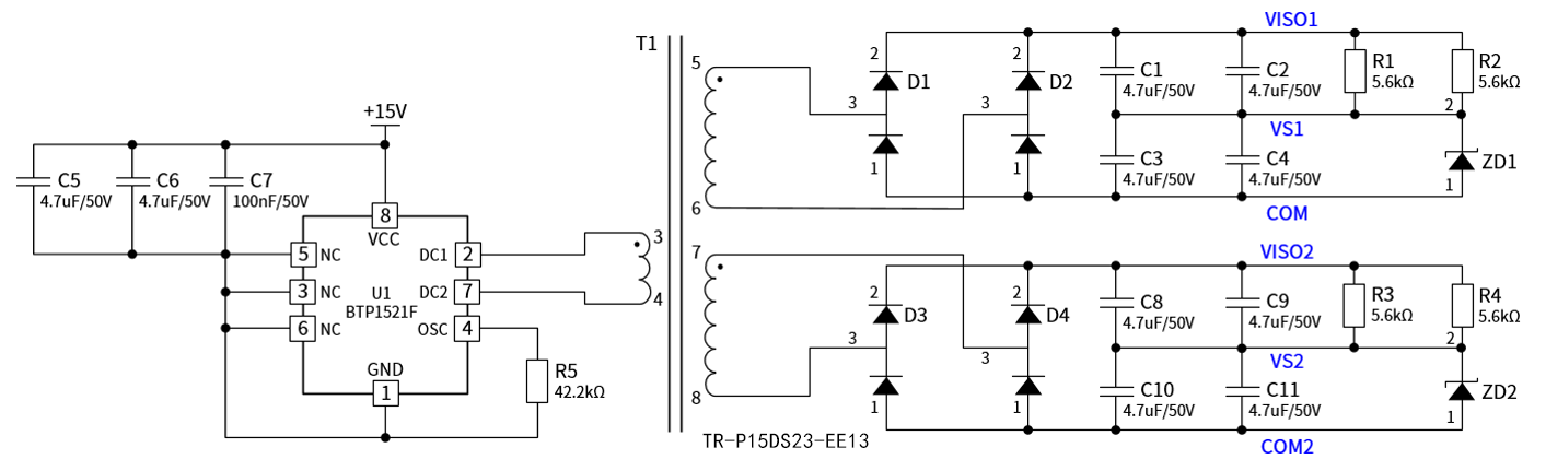
雙通道隔離變壓器TR-P15DS23-EE13

產品特點
TR-P15DS23-EE13是驅動器專用的隔離電源變壓器
采用EE13骨架(磁芯材質鐵氧體)
可實現驅動器隔離供電,傳輸功率可達4W(每通道2W)
BTP1521F搭配隔離變壓器TR-P15DS23-EE13典型應用介紹
全橋式拓撲,副邊兩路輸出,單路輸出功率可達2W,總輸出功率4W
輸入電壓15V,副邊全橋整流輸出全電壓(VISO-COM=23V)
輸出全電壓通過4.7V的穩壓管,將全電壓拆分成正電壓(VISO-VS=18V),負電壓(COM-VS=-4V)
BTP1521F的OSC管腳通過電阻R5=42.2kΩ接地,設置工作頻率為F=477kHz
工作頻率可以通過RF-set電阻設置,本公式提供了RF-set(kΩ)和F(kHz)之間的關系(典型值):
![]()
![]()
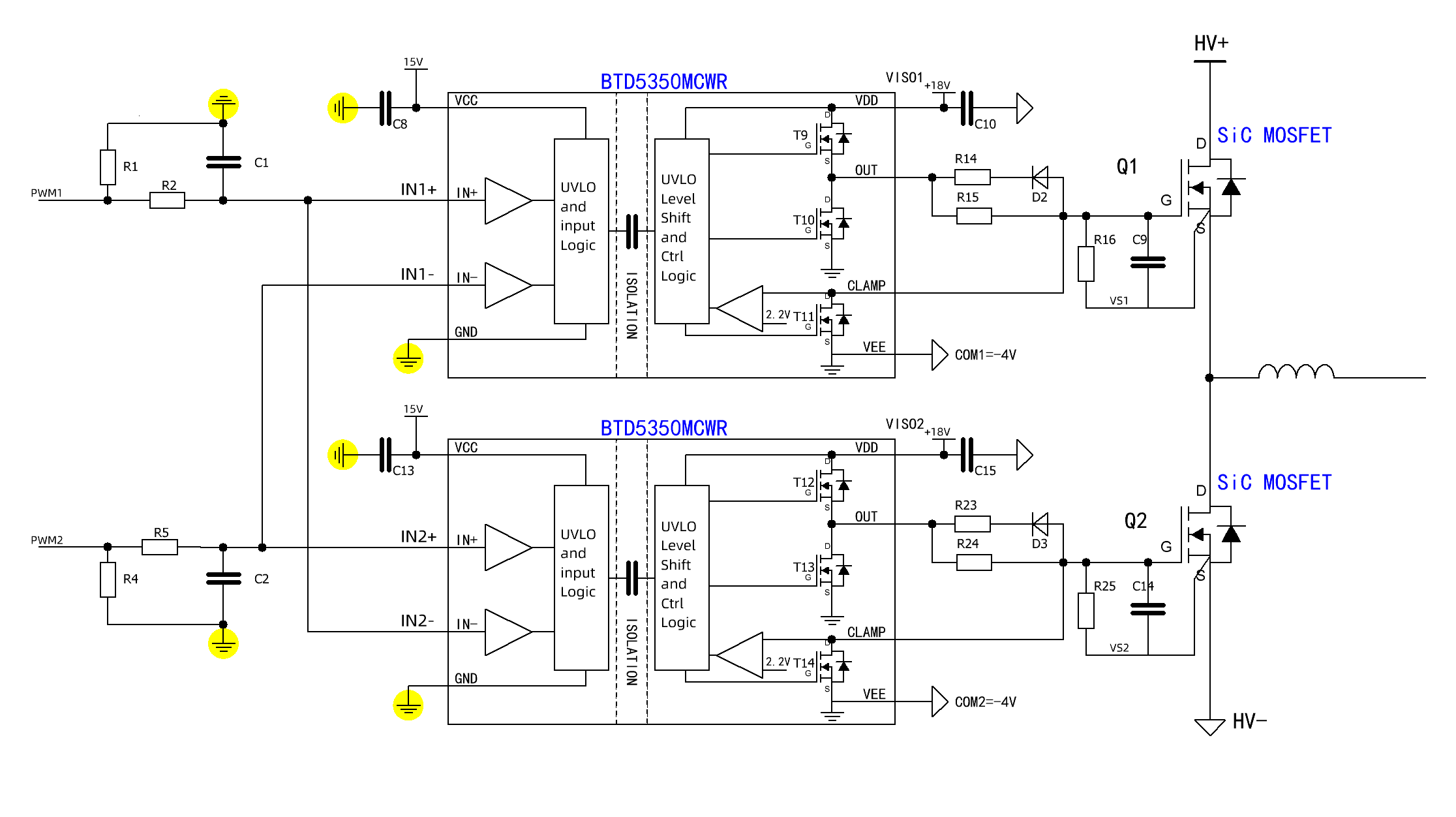
隔離驅動BTD5350MCWR
典型應用介紹
原方VCC供電電壓15V
BTD5350xx是電壓型輸入的電容隔離的驅動芯片,輸入INx是高阻抗引腳,如果輸入信號PCB布線不合理,容易導致輸入信號受到干擾。為了使芯片的輸入端表現為電流源特征,建議在PWM輸入接電阻R1=3kΩ到地。如果PWM電平為15V,則PWM線上的電流約為5mA,目的是使得PWM信號的線路上能產生足夠的電流,可以避免芯片輸入IN腳受到干擾,同時靠近芯片IN腳接濾波電容C1=100pF到地
副方電源VISO接+18V,COM接-4V,G連接到主功率板上的門極電阻
驅動芯片米勒鉗位Clamp連接到主功率板上碳化硅MOSFET門極
![]()
典型半橋應用介紹---防橋臂直通互鎖設計
PWM1信號經過RC網絡連接到IN1+和IN2-,PWM2信號經過RC網絡連接到IN2+和IN1-,進行PWM信號輸入互鎖,當PWM1和PWM2同時為高電平時,驅動芯片BTD5350MCWR副邊同時輸出低電平,防止橋臂直通。

適配模塊推薦
BSRD-2427驅動板可適配基本半導體34mm封裝全碳化硅MOSFET半橋模塊,該模塊采用第三代碳化硅MOSFET芯片技術,在比導通電阻、開關損耗、可靠性等方面表現更出色。

產品特點
采用基本半導體第三代碳化硅MOSFET芯片技術,性能顯著提升
低導通電阻,高溫下RDS(on)表現優異,導通損耗更低,穩定性強
低開關損耗,支持高頻運行,功率密度大幅提升
高工作結溫,Tvj=175℃
































