根據2020年12月12日國家主席習近平在氣候雄心峰會上發表的重要講話,到2030年中國單位國內生產總值二氧化碳排放將比2005年下降65%以上,非化石能源占一次能源消費比重將達到25%左右,風電、太陽能發電總裝機容量將達到12億千瓦以上,風電行業將會迎來新一輪的發展熱潮。
隨著風電行業的發展,以及受到補貼退坡、平價上網的影響,風電行業核心訴求變為追求度電成本的下降,這就要求風電系統在具有更高效率的同時還要擁有更低的價格,意味著風機系統需進一步大型化和高壓化。同時,三北市場的回歸和海上風電的蓬勃發展,也為大型風電系統提供了足夠的場地條件。海上風電由于高昂的維護成本,對可靠性提出了更高的要求。
相應地,系統也對風電變流器提出了更高的要求:
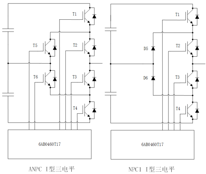
電氣方面:交流電壓由690V逐步向1140V提升,主力功率段也上升到2.5~3MW,更高功率的機型占比也在逐年增加,最高功率已經達到12MW,這使得I型三電平將成為風電變流器的主流拓撲
可靠性方面:由于高昂的維修費用和停機損失,對失效率的要求也愈加嚴苛
供應方面:由于本行業和同領域其他行業快速增長擠占大量產能,且疫情造成產能大幅下降,供應形勢十分嚴峻,對特殊物料的選擇就顯得格外重要
為響應市場需求,解決客戶端的燃眉之急,青銅劍技術苦心鉆研,推出適用于風電變流器的新型IGBT驅動解決方案6AB0460T17。

該方案采用主板+門極板的組合方式,通過調整門極板可以適配62mm、EconoDualTM3、PrimePackTM3等多種封裝形式
采用自研的ASIC芯片搭建核心電路,減少外圍電路設計,可靠性高
以變壓器做為唯一的隔離器件,器件性能不會隨時間衰減,穩定性好,采購方便
無CPLD設計,提高了產品的可采購性
六通道輸出,支持NPC1和ANPC I型三電平拓撲
單通道峰值驅動電流60A,驅動功率4W,最多可支持EconoDualTM3和62mm封裝4并聯或PrimePackTM3封裝2并聯
高絕緣設計,最高可滿足1700V IGBT的應用場景
可支持DB15、DB25或30PIN牛角等多種輸入接口
集成模擬控制的智能關斷技術
集成VCE短路檢測、軟關斷功能
設計緊湊,主板尺寸僅為299.5mm*160mm
工作環境溫度-40~85℃

不同于傳統的I型三電平驅動控制和隔離方案,6AB0460T17采用青銅劍技術最新研發的驅動芯片組,在芯片內部集成模擬控制延時電路,前端控制側無需再外置CPLD,并采用變壓器這種性能不會隨著時間衰減的器件作為唯一的隔離器件,極大地降低了產品的失效率,提高了產品的可靠性。
青銅劍自主研發的驅動芯片組如下圖所示:

芯片組由一個原邊芯片和兩個副邊芯片組成。原邊芯片集成信號調制、解調、電源發波功能并和整機控制側進行數據交互。副邊芯片集成信號調制、解調、正負壓穩壓功能以及IGBT驅動所需的驅動能力、VCE短路檢測、軟關斷等功能。芯片組高度集成化使得外圍電路設計簡單,極大地減小了元器件的數量,提高了系統集成度,抗干擾性好,可靠性高。
方案通過變壓器實現隔離,由一個供電電源變壓器和兩個信號變壓器組成。供電電源變壓器采用一個原邊繞組+兩個副邊繞組,由原邊芯片發波,驅動電源主MOS管進行斬波,副邊采用外部整流,并通過芯片內部穩壓器輸出穩定的正壓和可靠的負壓。信號變壓器由一個原邊繞組+一個副邊繞組實現,信號的傳輸采用半雙工的方式進行,發送和接收通過同一個變壓器,采用脈沖方式傳輸,通過不同的脈沖來表示開通、關斷和故障狀態。
這一隔離方案擺脫了絕大數隔離驅動芯片封裝安規距離僅有7.8mm的限制,原材料易于獲取,在滿足風電行業要求的同時解決了現在隔離驅動芯片緊缺的困境。并且變壓器的磁通在產品生命周期內非常穩定,不會隨著時間而衰減,可以滿足風電行業特別是海上風電日益提高的可靠性要求。
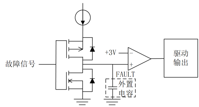
另外,I型三電平在保護時存在一個重大的問題:在內外管同時導通時若先關閉了內管,會導致內管可能承受全母線電壓而過壓損壞,因此一般I型三電平驅動中會增加智能關斷技術,即在發生故障時,外管先關閉,內管延時一段時間再關閉。在傳統的IGBT驅動設計中,由于實現邏輯較為復雜,會通過集成CPLD之類的可編程邏輯器件實現該功能,但這無疑會增加系統的復雜性和成本。
青銅劍技術為解決這一問題,在副邊ASIC芯片中集成了相應的模擬延遲電路,電路圖如下:

當副邊芯片檢測到故障后,芯片產生故障信號,向原邊芯片發送故障信號。同時,該故障信號會將副邊芯片內部恒流源打開,使得后級比較器輸入級超過閾值使得比較器翻轉,關閉驅動輸出。這一比較器的輸入端引出到芯片外部,即FAULT腳。在此引腳增加一個電容后,當故障信號產生,比較器輸入級不會馬上達到閾值,而需要依靠恒流源對電容進行一段時間的充電后達到閾值電壓再對驅動進行關斷,但副邊芯片對原邊芯片發送的故障信號會立即發送。

通過該電路,驅動可以實現驅動輸出在原邊出現故障信號延時一段時間后再關閉,延時時間可通過電容進行靈活配置。內管在這一段延時時間內仍然會發送故障信號,控制外管優先關閉,在外管關閉后再允許內管關閉。這一方案取消了CPLD這一類可編程邏輯器件,提高了驅動產品的可采購性,并降低了系統設計的復雜性。
































